上海灵动微电子授权代理MM32F103C8T6国产32位单片机
来源: 日期:2020-06-17 10:07:53
上海灵动微电子MM32F103C8T6使用高性能的ARM® CortexTM-M3 为内核的32 位微控制器,最高工作频率可达168MHZ,内置高速存储器,丰富的增强型I/O 端口和外设连接到外部总线。MM32F103C8T6工作电压为2.0V~ 5.5V,工作温度范围包含-40◦C~ +85◦C 常规型和-40◦C~+105◦C 扩展型。具有多种省电工作模式保证低功耗应用的要求。并提供LQFP100、LQFP64、LQFP48、LQFP32 和QFN32 共5 种封装形式,根据不同的封装形式,器件中的外设配置不尽相同。这些丰富的外设配置,使得本产品微控制器适合于多种应用场合,电机驱动和应用控制, 医疗和工业应用以及警报系统等。灵动微代理商提供开发板测试及产品应用解决方案.
MM32F103C8T6产品特征
• 内核与系统
– 32 位ARM® CortexTM-M3 处理器内核
– 标准工作频率可达96MHZ
– 最高工作频率可达168MHZ
• 存储器
– 高达512K 字节的闪存程序存储器
– 高达128K 字节的
SRAM
• 时钟、复位和电源管理
– 2.0V~ 5.5V 供电
– 上电/断电复位(POR/PDR)、可编程电压监测器(PVD)
– 外部2~ 24MHz 高速晶体振荡器
– 内嵌经出厂调校的48MHz 高速振荡器
– PLL 支持CPU 最高运行在168MHZ
– 外部32.768KHz 低速振荡器
• 低功耗
– 睡眠、停机和待机模式
– VBAT 为RTC 和后备寄存器供电
• 1 个12 位模数转换器,1μS 转换时间(多达7 个输入通道)
– 转换范围:0~ VDDA
– 支持采样时间和分辨率配置
– 片上温度传感器
– 片上电压传感器
• 2 个比较器
• 12 通道DMA 控制器
– 支持的外设:Timer、ADC、UART、I2C、SPI、USB 和SDIO
• 多达80 个快速I/O 端口:
– 所有I/O 口可以映像到16 个外部中断
– 所有端口均可输入输出5V 信号
• 调试模式
– 串行单线调试(SWD)和JTAG 接口
• 多达11 个定时器
– 2 个16 位4 通道高级控制定时器,有4 通道PWM 输出,以及死区生成和紧急停止功能
– 2 个16 位定时器和2 个32 位定时器,有高达4 个输入捕获/输出比较,可用于IR 控制解码
– 2 个16 位定时器,有1 个输入捕获/输出比较和1 个OCN,死区生成,紧急停止,调制器门电路用于IR 控制
– 2 个看门狗定时器(独立的和窗口型的)
– 系统时间定时器:24 位自减型计数器
• 多达16 个通信接口
– 8 个UART 接口
– 2 个I2C 接口
– 3 个SPI 接口
– 1 个CAN 接口
– 1 个USB device 接口
– 1 个SDIO 接口
• 96 位的芯片唯一ID(UID)
• 采用LQFP100、LQFP64、LQFP48、LQFP32 和QFN32 封装
MM32F103C8T6测试条件
除非特别说明,所有电压都以VSS 为基准。
1.最小和最大值
除非特别说明,最小和最大数值是在环境温度TA = 25◦C,VDD = 3.3V 下执行的测试。
2. 典型数值
除非特别说明,典型数据是基于TA = 25◦C 和VDD = 3.3V。这些数据仅用于设计指导而未经测试。
3.典型曲线
除非特别说明,典型曲线仅用于设计指导而未经测试。
4. 负载电容
测量引脚参数时的负载条件示于下图。
图1.引脚的负载条件
5. 引脚输入电压
引脚上输入电压的测量方式示于下图。

图2引脚输入电压
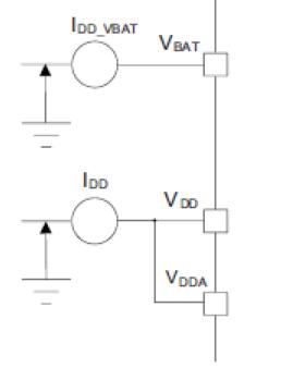
6.供电方案
供电设计方案于下图

图3供电方案
7.电流消耗测量
引脚上电流消耗的测量方式示于下图。

图4.电流消耗测量方案
关键词:上海灵动微电子 MM32F103C8T6
32位单片机