案例&资讯
案例&资讯
主页 › 案例&资讯资讯动态 › 查看详情

SRAM的容量扩展

来源: 日期:2020-11-30 10:38:01

SRAM即静态随机存取存储器,所谓“静态”是指这种存储器只要保持通电,里面存储的数据就可以一直保持,但是掉电之后就会丢失。与DRAM(动态随机存取存储器)相比它不需要周期性的刷新里面的数据,操作简单且速度更快,但是更加的昂贵,集成度不如DRAM高。
 
在实际应用中的存储器所需要的容量通常比所生产的芯片容量大得多,所以需要对多芯片进行组合以实现存储容量的扩充。本文以SRAM芯片为例系统介绍常用的扩充存储容量的方法。

通常微处理器的数据总线为8位和16位或32位,而地址总线为16位或24位不等。当静态RAM的地址线和数据线不能与微机相匹配时,可用地址线扩展和数据线扩展或地址和数据线同时进行扩展的方法加以解决。
 
1.RAM容量的扩展---位数扩展数据线扩展
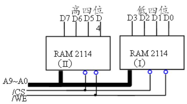
如SRAM 2114 10位地址,4位数据线,其容量=210×4=1024×4=4096字位(4K)。
 
 
例:用4K容量的RAM2114,实现一个容量为1024×8(≈8K字位)字位容量的RAM。
解:1024×8字位容量,其地址仍是十位,故只要进行数据位扩展即可,选用RAM2114两片,将两片的地址线,读/写线及片选线并联,两片的位线分别作为高4位数据和低4位数据,组成8位的数据线即可。扩展后的电路如图所示:
 
 
2.SRAM容量的扩展---字位扩展,地址扩展,数据位扩展。
例:用RAM2114,扩展成容量为4096×8字位(32K)的RAM。
解:4096需要12位地址,而RAM2114只有10位地址,所以需要进行地址扩展,同时应该将一字4位,扩展成一字8位。字的位扩展用前面方法,地址扩展用译码器完成,用8片RAM211扩展后的电路如图所示:
 
 
 
 
 关键词:SRAM