案例&资讯
案例&资讯
主页 › 案例&资讯资讯动态 › 查看详情

不同类别存储器基本原理

来源: 日期:2020-06-18 10:57:24

存储器是用来存储程序和各种数据信息的记忆部件。存储器可分为主存储器(简称主存或内存)和辅助存储器(简称辅存或外存)两大类。和CPU直接交换信息的是主存。主存的工作方式是按存储单元的地址存放或读取各类信息,统称访问存储器。计算机的存储器可分成内存储器和外存储器。内存储器在程序执行期间被计算机频繁地使用,并且在一个指令周期期间是可直接访问的。外存储器要求计算机从一个外贮藏装置例如磁带或磁盘中读取信息。

存储器分为易失性存储器和非易失性存储器。易失性存储器分SRAM和DRAM;非易失性存储器以Nor-flash和Nand-flash为典型代表。

DRAM

DRAM cell结构由1个MOS和1个电容组成,由电容是否带电荷来区分0和1。不过,由于电容漏电流的原因,DRAM无法长时间保存数据,需要“动态”刷新(刷新周期在亚ms级别)。
 
 
 

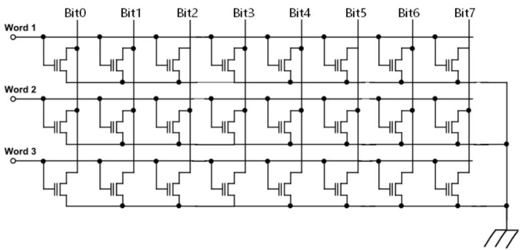
SRAM

SRAM cell有多种不同结构,下图为6个MOS组成的SRAM cell。M1/M2、M3/M4分别为2个反相器,在供电情形下可以锁住0/1信息,不需动态刷新。
 
 
 

Flash

不管是Nor-flash还是Nand Flash,单位cell的结构都类似如下,为双gate的MOS结构。中间一层floating gate无漏电存在,可以保存住电荷而实现非易失。
 
 
 
Floating gate上电荷转移需要外加电压实现。在Control gate和沟道之间施加的反向电压可以去除电荷,也即擦除erase操作。在Control gate和沟道或source 之间施加正向电压可以将电荷转移到floating gate上。
 
 

NOR FLASH的结构和特性

通过NOR FLASH的结构原理图,可见每个Bit Line下的基本存储单元是并联的,当某个Word Line被选中后,就可以实现对该Word的读取,也就是可以实现位读取(即Random Access),且具有较高的读取速率。
 
 
 
 
 
 
(1)基本存储单元的并联结构决定了金属导线占用很大的面积,因此NOR FLASH的存储密度较低,无法适用于需要大容量存储的应用场合,即适用于code-storage,不适用于data-storage。
(2)基本存储单元的并联结构决定了NOR FLASH具有存储单元可独立寻址且读取效率高的特性,因此适用于code-storage,且程序可以直接在NOR 中运行(即具有RAM的特性)。
(3)NOR FLASH写入采用了热电子注入方式,效率较低,因此NOR写入速率较低,不适用于频繁擦除/写入场合。

NAND FLASH的结构和特性

通过NAND FLASH的结构原理图,可见每个Bit Line下的基本存储单元是串联的,NAND读取数据的单位是Page,当需要读取某个Page时,FLASH 控制器就不在这个Page的Word Line施加电压,而对其他所有Page的Word Line施加电压(电压值不能改变Floating Gate中电荷数量),让这些Page的所有基本存储单元的D和S导通,而我们要读取的Page的基本存储单元的D和S的导通/关断状态则取决于Floating Gate是否有电荷,有电荷时,Bit Line读出‘0’,无电荷Bit Line读出‘1’,实现了Page数据的读出,可见NAND无法实现位读取(即Random Access),程序代码也就无法在NAND上运行。
 
 
 
 
 
 
基本存储单元的串联结构减少了金属导线占用的面积,Die的利用率很高,因此NAND FLASH存储密度高,单bit成本低。适用于需要大容量存储的应用场合,即适用于data-storage。

不同类别存储器在PC系统中的位置

 
 
从单bit成本来看:NAND  
从读取速度来看:NAND

关键词:SRAM